Section 7.2: Logic Networks

Abstract:

We examine the relationship between the abstract structure of a boolean algebra and the practical problem of creating practical networks for solving problems. There is a fundamental equivalence between Truth Functions, Boolean Expressions, and Logic Networks which allows us to pass from one to the other.

An Example Application, and Fundamental Parallels:

Two light switches, one light!

The problem is as follows: A light at the bottom of some stairs is controlled by two light switches, one at each end of the stairs. The two switches should be able to control the light independently. How do we wire the light?

Applications

Converting Truth Tables to Boolean Expressions (Canonical Sum-of-Products Form)

Practice 11, p. 492

Exercise 9, p. 503

Converting Boolean Expressions to Logic Networks

Exercise 1b, p. 501

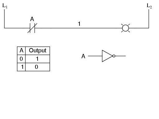
Converting Logic Networks to Truth Functions or Boolean Expressions

Exercise 4, p. 502

Simplifying Canonical Form

We can use properties of Boolean algebra to simplify the canonical form, creating a much simpler logic network as a result.

Practice 11, p. 492

Adding Binary numbers

Half-Adders and Full-Adders

Half-Adder: Adds two binary digits.

displaymath126

Full-Adder: Adds two digits plus the carry digit (made up of two half-adders, essentially!).

Practice 12, p. 496



LONG ANDREW E
Tue Apr 2 19:36:44 EST 2002